उत्पाद विवरण
60 किग्रा/मी स्टील रेल, जिसका वजन 60 किलोग्राम प्रति मीटर है, रेलवे ट्रैक निर्माण में एक अपरिहार्य और महत्वपूर्ण सामग्री है। अपनी उत्कृष्ट शक्ति, पहनने के प्रतिरोध और स्थिरता के साथ, यह व्यापक रूप से विभिन्न रेलवे लाइनों के बिछाने और पुनर्निर्माण में उपयोग किया जाता है।
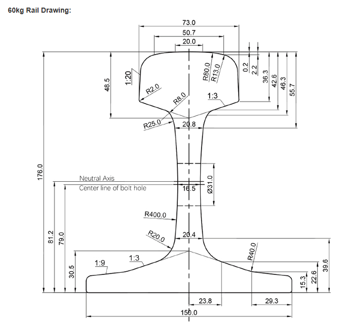
60 किग्रा/मीटर रेल की रेल सिर की चौड़ाई आमतौर पर 73 मिमी होती है। यह आकार डिजाइन ट्रैक पर ट्रेन पहियों के सुचारू संचालन को सुनिश्चित करने में मदद करता है।
रेल तल की चौड़ाई आम तौर पर 150 मिमी है। यह डिजाइन रेल और स्लीपर के बीच संपर्क क्षेत्र को बढ़ाता है, जिससे समग्र ट्रैक स्थिरता में सुधार होता है। 60 किग्रा/मीटर की रेल की ऊंचाई आमतौर पर 176 मिमी होती है। एक उचित रेल ऊंचाई घटता और ढलानों पर गाड़ियों की चिकनी यात्रा सुनिश्चित कर सकती है।
उपरोक्त प्रमुख आयामों के अलावा, 60 किग्रा/मीटर रेल में कई विवरण भी शामिल हैं जैसे कि रेल कमर की मोटाई और रेल अंत चेहरे का झुकाव। इन्हें सख्ती से नियंत्रित किया जाता है और राष्ट्रीय मानकों के अनुसार परीक्षण किया जाता है ताकि यह सुनिश्चित हो सके कि रेल की गुणवत्ता और प्रदर्शन उपयोग की आवश्यकताओं को पूरा करते हैं।
60 किलोग्राम भारी स्टील रेल
| प्रकार | वजन (किलोग्राम/एम) | सामग्री | लंबाई (एम) |
| 60 किग्रा | 60.80 | U71MN/U75VX | 12m-25m |
| रेल ऊंचाई (मिमी) | निचला चौड़ाई (मिमी) | प्रधान चौड़ाई (मिमी) | वेब मोटाई (मिमी) |
| 176 | 150 | 73 | 16.5 |





हमें क्यों चुनें
1. डीप उद्योग संचय, पेशेवर सेवा गारंटी
विदेशी व्यापार में कई वर्षों के व्यावहारिक अनुभव और उद्योग की गहन समझ के साथ, हम ग्राहकों के लिए पेशेवर सलाह और कुशल समाधानों को दर्जी कर सकते हैं।
2. स्टेबल कोऑपरेशन नेटवर्क, रिच प्रोजेक्ट एक्सपीरियंस
हम दुनिया भर के कई देशों और क्षेत्रों से रेलवे और निर्माण कंपनियों के साथ दीर्घकालिक सहयोग बनाए रखते हैं। सफलतापूर्वक वितरित किए गए परियोजना के मामले कई क्षेत्रों को कवर करते हैं और ग्राहकों द्वारा गहराई से मान्यता प्राप्त हैं।
3. उत्पाद की गुणवत्ता सुनिश्चित करने के लिए गुणवत्ता नियंत्रण प्रक्रिया की प्रक्रिया
विनिर्माण से लेकर डिलीवरी तक, यह सुनिश्चित करने के लिए पूरी प्रक्रिया में सख्त गुणवत्ता नियंत्रण लागू किया जाता है कि प्रत्येक रेल प्रासंगिक मानकों को पूरा करती है या उससे अधिक है और विश्वसनीयता की गारंटी है।

Gnee Steel (Tianjin) कं, लिमिटेड
हमारी कंपनी ने रेल ट्रेडिंग में 18 साल से अधिक का समृद्ध अनुभव जमा किया है। एक वैश्विक ऑपरेशन नेटवर्क और कुशल टीम वर्क के साथ, हम पहले स्थान पर ग्राहकों की जरूरतों का जवाब देने में सक्षम हैं। कोई फर्क नहीं पड़ता कि ग्राहक कहाँ स्थित है, हम आदेश के सुचारू पूर्णता को सुनिश्चित करने के लिए समय पर संचार और तेजी से प्रसंस्करण सुनिश्चित कर सकते हैं।

लोकप्रिय टैग: 60kg U71mn 50mn भारी स्टील रेल, चीन 60kg U71mn 50mn भारी स्टील रेल निर्माता, आपूर्तिकर्ता, कारखाना










